|
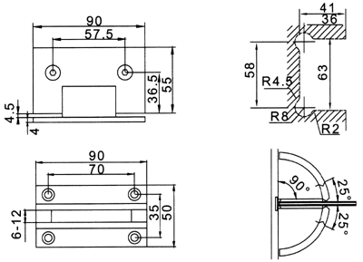
松下玻璃铰 BLJ-001 |
|
|
功能及特性 |
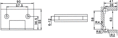
离开闭线约250时,产生自动闭合功能
适用玻璃厚度:6~12mm |
技术参数 |
双向开合角:900
两只玻璃铰最大承重:45kg |
标准配置 |
玻璃铰:1套、PVC垫片:1套
SUS304不锈钢螺钉:1套 |
材质/表面处理 |
不锈钢抛光* 铜光铬* |

|
|
|
|
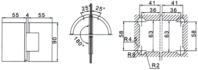
松下玻璃铰 BLJ-002 |
|
|
功能及特性 |
离开闭线约250时,产生自动闭合功能
适用玻璃厚度:6~12mm |
技术参数 |
双向开合角:1350
两只玻璃铰最大承重:45kg |
标准配置 |
玻璃铰:1套、PVC垫片:1套
SUS304不锈钢螺钉:1套 |
材质/表面处理 |
不锈钢抛光* 铜光铬* |

|
|
|
|
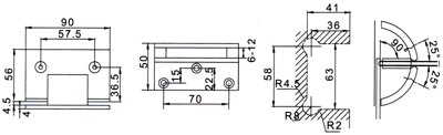
松下玻璃铰 BLJ-003 |
|
|
功能及特性 |
离开闭线约250时,产生自动闭合功能
适用玻璃厚度:6~12mm |
技术参数 |
双向开合角:1800
两只玻璃铰最大承重:45kg |
标准配置 |
玻璃铰:1套、PVC垫片:1套
SUS304不锈钢螺钉:1套 |
材质/表面处理 |
不锈钢抛光* 铜光铬* |

|
|
|
|
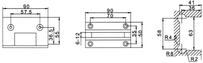
松下玻璃铰 BLJ-004 |
|
|
功能及特性 |
离开闭线约250时,产生自动闭合功能
适用玻璃厚度:6~12mm |
技术参数 |
双向开合角:900
两只玻璃铰最大承重:45kg |
标准配置 |
玻璃铰:1套、PVC垫片:1套
SUS304不锈钢螺钉:1套 |
材质/表面处理 |
不锈钢抛光* 铜光铬* |

|
|
|
|
松下玻璃铰 BLJ-005 |
|
|
功能及特性 |
离开闭线约250时,产生自动闭合功能
适用玻璃厚度:6~12mm |
技术参数 |
双向开合角:900
两只玻璃铰最大承重:45kg |
标准配置 |
玻璃铰:1套、PVC垫片:1套
SUS304不锈钢螺钉:1套 |
材质/表面处理 |
不锈钢抛光* 铜光铬* |

|
|
|
|
松下玻璃铰 BLJ-006 |
|
|
功能及特性 |
适用玻璃厚度:6~12mm |
技术参数 |
角度:900
两只玻璃铰最大承重:45kg |
标准配置 |
玻璃铰:1套、PVC垫片:1套
SUS304不锈钢螺钉:1套 |
材质/表面处理 |
不锈钢抛光* 铜光铬* |

|
|
|
|
松下玻璃铰 BLJ-007 |
|
|
功能及特性 |
适用玻璃厚度:6~12mm |
技术参数 |
两只玻璃铰最大承重:45kg |
标准配置 |
玻璃铰:1套、PVC垫片:1套
SUS304不锈钢螺钉:1套 |
材质/表面处理 |
不锈钢抛光* 铜光铬* |

|
|
|
|
| |
玻璃铰使用说明
- 首先定好玻璃铰安装位置,并在玻璃表面做好切割标记。
- 根据玻璃铰的规格,对玻璃进行切割(按玻璃切割图所示)。
- 在玻璃铰固定板和活动面板依次垫上PVC片数量直至夹紧玻璃。
- 对所有要安装的螺丝进行紧固。

安装标准
- 最大承重:45hg。
- 玻璃材质:必须使用钢化玻璃。
- 开关次数:10万次以上。
- 玻璃适应厚度:6mm~12mm。

|